Kuvaus
Käytännöllinen painonappisuljin (painepultti) paksuille huonekaluoville 22 mm (55/64″) – 25 mm (63/64″), valmistettu kestävästä polyamidista (PA, nailon), pinta: ruskea, SL-B251-BR
Käyttää:
Push-Latch matkailuauton muuntamiseen, huviveneen sisustukseen, asuntovaunun huonekaluihin ja paljon muuta.

SL-B251-BR-painikesulkimessa on painike, jossa on tukeva liukuva salpa.
Sen kompakti rakenne vaatii vain 15 mm:n reiän ja tuskin ulkonee, mikä mahdollistaa yksinkertaisen etuosan suunnittelun.
Integroitu jousimekanismi pitää oven turvallisesti kiinni noin 16 kgf:n teholla – myös tärinän sattuessa ajoneuvo- tai laivasovelluksissa.

Välirengas mahdollistaa mukautumisen 18–21 mm:n ovien paksuuteen ja varmistaa välyksettömän istuvuuden.
Kulutusta kestävä polyamidikotelo on kevyt, korroosionkestävä ja kosteutta läpäisemätön.
Laadukkaat painikesulkimet 140-060-017 sopivat erinomaisesti muun muassa:
- Myymälänsuunnittelu
- Messujen kalusteet
- Huonekalujen ovet
- Selvittää
- Ovet
- Kevyet huonekalut
- Keittiön seinäkaapit
- Matkailuauton muuntaminen
- Jahdin sisustus
- Asuntovaunun kalusteet
Materiaali:
- Painikesulkimet 140-060-017 on valmistettu kestävästä polyamidista (PA, nailon)
- Polyamidi on ihanteellinen huonekalulaitteisiin ja teollisuuslaitteisiin, koska se on vankka, korroosionkestävä, melua vaimentava ja liukas, mikä mahdollistaa kestävät ja helposti siirrettävät laitteet.
Pinta:
- Ruskea
- Ruskea antaa lämmön ja mukavuuden tunteen, mikä luo kodikkaan ja kutsuvan ilmapiirin, joka on ihanteellinen oleskelu- ja ruokailutiloihin
- Ruskea sopii hyvin puun kanssa ja on monipuolinen, neutraali väri, joka sopii hyvin yhteen muiden värien ja materiaalien kanssa huokuen ajatonta eleganssia
Kokoonpano:

- Kiinnitys tapahtuu kuudella toimitukseen kuuluvalla ruuvilla (Pan-Head lastulevyruuvi 3 x 14 mm)
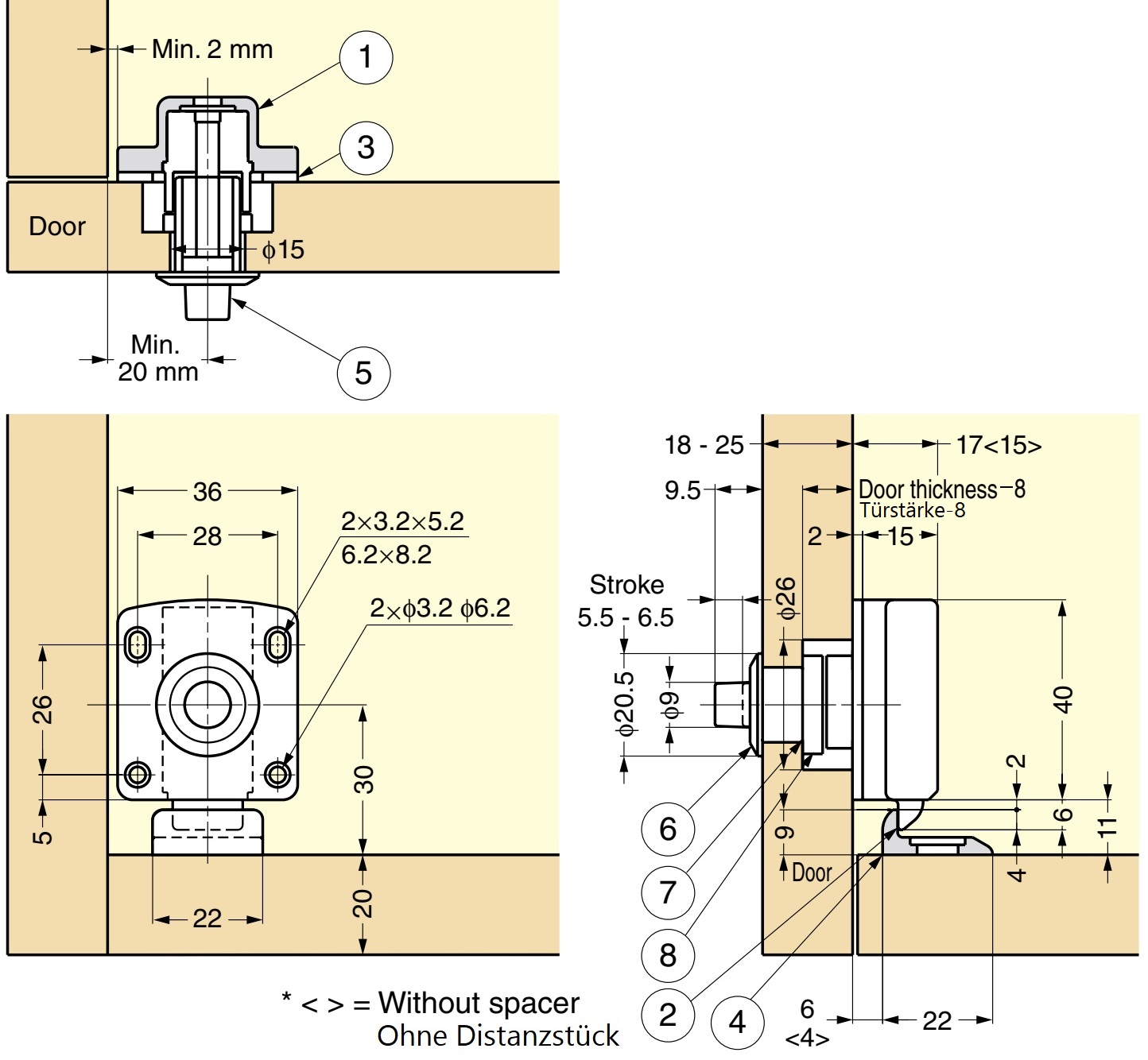
- Ensin on tehtävä pääreikä, jonka halkaisija on ⌀15 mm (19/32″)
- Sitten oven sisäpuolelle on tehtävä vastareikä, jonka halkaisija on 26 mm (1-1/32″) ja syvyys = oven paksuus − 8 mm
- Sitten painike kiinnitetään reikään mutterilla
- Pultin runko ruuvataan valmiiksi piirrettyihin uranreikiin neljällä 3 x 14 mm:n lastulevyruuvilla, jolloin välirengas työnnetään sisään oven paksuudesta riippuen
- Vastalevy kohdistetaan sitten rungon etupuolelle ja ruuvataan niin, että pultti napsahtaa siististi paikalleen
- Lopuksi tarkistetaan sulkemistoiminto ja tarvittaessa hienosäädetään uritettujen reikien avulla (katso lisätietoja asennuspiirustuksesta)

Ominaisuudet:
- Paino: 23,5 g
- Kantavuus (kantavuus): 156,8 N (16 kp)
- Koko: 26 mm (1-1/32″)
- Saatavana väreissä: norsunluu ja ruskea
- Saatavana normaaleille oville (18-21 mm) ja paksuille oville (22-25 mm)
- Helppo asentaa, käytännöllinen, vakaa
- Pitää ovet tukevasti kiinni jousivoimalla
- Hiljainen avautuminen napin painalluksella
- Helppo sovittaa eri ovipaksuuksiin
- Korroosionkestävä, iskunkestävä polyamidi
- Suuri pitovoima, noin 16 kgf
- Sopii huonekaluille, ajoneuvoille ja merenkululle
- Kevyt paino
- ruskea
- Vankka (kulutusta kestävä, joustava, kestää monia kemikaaleja, lämmönkestävä)
- Sugatsune / LAMPin® korkea merkkilaatu
Lisätietoja mitoista ja yksityiskohdista on teknisessä piirustuksessa.
Mitat:
- Painikkeen sulkemispituus: 40 mm (1-37/64″)
- Leveys: 36 mm (1-27/64″)
- Syvyys: 15 mm (19/32″)
- Napsautuksen halkaisija: ⌀20,5 mm (13/16″)

Mukana:
- 1 kpl painonappisuljin 140-060-017 kestävästä polyamidista, ruskea
- 1 pala iskulevyä
- 1 kpl välirengas
- 1 kpl painike
- 6 lastulevyruuvia 3 x 14 mm
Lisäinformaatio:
Valmistajan viitenumero:
- Artikkelin tunnus: 140-060-017
- tuotenumero: SL-B251-BR
- EAN-numero: 4510932059565
Valmistaja: Sugatsune / LAMP® (Japani)






